The Potential Difference Across A Resistor Measures 40 Volts

Membrane Potential Wikipedia

Basic Oscilloscope Operation Worksheet Ac Electric Circuits

Potential Difference And Resistor Voltage Division


How To Calculate Voltage Across A Resistor With Pictures

Resistors In Series And Parallel

Voltage Dependences Of Longitudinal Differential Resistance

Ppt Circuits Powerpoint Presentation Free Download Id

Resistors In Series And Parallel Physics
Solved Example Finding Current Voltage In A Circuit

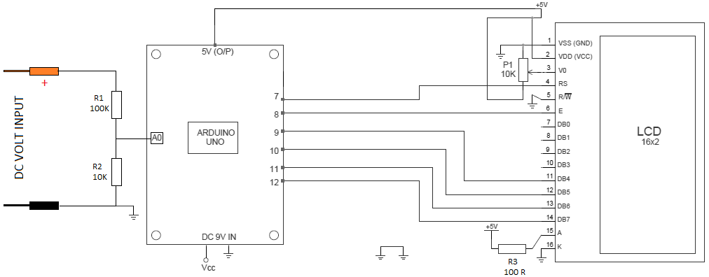
Digital Arduino Voltmeter 0v 12v 30v

Is The Voltage Divider A Voltage Source And A Resistor A

Calculating Voltage Drop Across Resistors

Solved D Redraw The Circuit Below With An Ammeter And A
Wizard Test Maker

If Voltage Is Measured Between Two Points On A Wire With No
Comments
Post a Comment